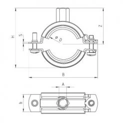
Le collier isophonique FRS Plus de la marque Fischer est un collier de serrage à double filetage, fabriqué en acier électrozingué de qualité DD11 et est doté d’un filetage mixte M8 / M10 ainsi que d’une garniture isophonique. Son système de fermeture rapide breveté offre une possibilité de montage simple et rapide. Les deux vis assurent un ajustement optimal au diamètre des tuyaux. L’écrou de connexion avec filetage M8 / M10 augmente la flexibilité. Convient pour la fixation à l’intérieur de tuyaux d’un diamètre extérieur de 12 – 119 mm. Ce collier isophonique Fischer est certifié selon la norme DIN 4109 avec une garniture isophonique sans chlore ni silicone.
- Ecrou de connexion : soudé par résistance, M8 / M10, SW 13
- Vis de blocage : vis tête large empreinte combi
- Garniture isolante : matière : EPDM ; sans chlore ; sans silicone
- Isolation phonique
- Tenue à la température : -40 °C à +100 °C
- Dureté : 55 ± 5° Shore A
- Tenue au feu : classe B2
















Avis
Il n’y a pas encore d’avis.